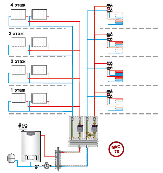
Типовые схемы применения МКС 70 / МКС 100 с напольным котлом в помещение площадью 111 - 170 кв.м.
Этажность: 4
Площадь объекта: 111 - 170 кв.м.
Площадь теплого пола: 50% от площади объекта (50 - 85 кв.м.)

|
Артикул |
Наименование |
Количество |
|
01092009 |
2-х контурный коллектор МКС 70 |
1 |
|
01092008 |
Гидравлический разделитель МКС 70 |
1 |
|
01092004 |
Модуль D 20 прямой с насосом 15/5 МКС 70 |
1 |
|
01092006 |
Модуль D 20 смесительный с насосом 15/5 МКС 70 |
1 |
|
Принадлежности |
||
|
01092011 |
Комплект кронштейна (с крепежом к стене) МКС 70 |
4 |
|
01092012 |
Термостатическая головка с выносным датчиком (диап. 20-70°С) МКС70 |
1 |
|
01092013 |
Электропривод 230В МКС 70 |
1 |
